Saltar la navegación

8.2. Decodificadores

Importante

Son circuitos combinacionales integrados que disponen de n entradas y  2n salidas. Estas salidas actúan de modo que según cual sea la combinación de las variables de entrada se activa una única salida, permaneciendo el resto de ellas desactivada.

Una forma de denominar a los decodificadores es haciendo referencia a su número de entradas y salidas, por ejemplo, un decodificador de 2 entradas y 4 salidas es un decodificador 2:4, un decodificador de 3 entradas y 8 salidas es un decodificador 3:8. También se pueden denominar a los decodificadores haciendo referencia sólo al número de entradas.

Suelen disponer de una entrada adicional denominada de inhibición o strobe de modo que cuando esta entrada se encuentra activada, pone todas las salidas a 0.

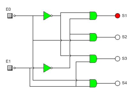
Por ejemplo un decodificador de 2 entradas y 22 salidas, tendría la siguiente tabla de verdad:

Sus ecuaciones lógicas serían:

 

 

 

Que una vez implementado con puertas NOT y AND, quedaría:

 

 
 Imagen  Elaboración propia

 

 

Los decodificadores pueden ser de dos tipos:
  • No Excitadores. Se denominan así a un tipo de decodificadores cuyas salidas solo pueden acoplarse a otros circuitos digitales de la misma familia integrada, ya que dan una corriente muy pequeña en dichas salidas, incapaz de activar ningún otro componente.
  • Decodificadores Excitadores. Son aquellos cuyas salidas dan suficiente corriente como para atacar, no solo a otros circuitos integrados de la misma familia, sino también a otros dispositivos, tales como displays, lámparas, relés, transductores,...

Un decodificador muy común es el de siete segmentos, este circuito combinacional activa simultáneamente varias salidas, decodifica la información de entrada en BCD a un código de siete segmentos adecuado para que se muestre en un display de siete segmentos, es el procedimiento empleado en todas las calculadoras, los relojes digitales,...

Imagen  Elaboración propia

Su tabla de verdad sería:

 

 

En las imágenes siguientes puedes ver, qué segmentos están encendidos en dos números, el 6 y el 7. En el 7, como indica la tabla de verdad, están encendidos el a, el b y el c (encendido quiere decir en este caso valor lógico a 1)

Imagen  Elaboración propia

En el 6, están apagados el a y el b (apagado quiere decir valor lógico a cero)

Aplicacion de los decodificadores: Implementación de funciones lógicas con decodificadores

Una de las principales aplicaciones de los decodificadores es que permite implementar ecuaciones correspondientes al funcionamiento de una función lógica.

Ejemplo. A partir de la tabla de la verdad siguiente:

 

La función canónica será

Para implementar la función lógica empleando un decodificador, actuaremos del siguiente modo: 

En primer lugar se debe utilizar un decodificador que tenga igual o mayor número de líneas de entrada que el número de variables de la función lógica. En nuestro ejemplo un decodificador de cuatro a diez líneas, con salidas activas a nivel bajo y conectando a masa la entrada de mayor peso

Luego, miramos las salidas del decodificador que hacen que la salida de la función sea 1, según la tabla de verdad, corresponde a las salidas:

S1=001, S3=011, S4=100 y S7=111

Ahora debemos sumar estos términos para conseguir la función lógica deseada, para lo que emplearemos el tipo de puertas adecuado que podrán ser:

  • Puertas OR, si hemos utilizado decodificadores con salidas activas en nivel alto, ya que la función se debe activar cuando sea 1, uno o varios de los términos que constituyen la función.
  • Puertas NAND, si hemos utilizado decodificadores con salidas activas en nivel bajo, ya que la función se debe activar cuando sea 0 uno o varios de los términos que constituyen la función.

En caso de que alguna combinación de la tabla de verdad que provocan 1 en la salida de la función no tuviera correspondencia con las salidas del decodificador, se confeccionarán mediante puertas lógicas la combinación correspondiente, llevándose la salida de esta combinación junto a la del circuito, a una puerta OR final.

Ejercicio Resuelto

Te proponemos dos ejemplos para intentar mostrar el uso de decodificadores como dispositivos para impelmentar funciones lógicas

Ejemplo 1

Implementar utilizando un decodificador el circuito correspondiente a una función lógica F(A,B,C), que debe cumplir que será cero cuando las tres variables de entrada estén a nivel bajo, o cuando la variable B se encuentre en estado alto si A no lo está. En los demás casos la función dará un 1 en la salida.

Ejemplo 2 

Se desea implementar empleando un decodificador, un circuito correspondiente a una función lógica en la que mediante tres sensores (A,B,C) controlen el estado de tres avisadores (X,Y,Z), de modo que se cumplan las siguientes premisas.

  • cuando se active únicamente el sensor A, no habrá indicación alguna.
  • cuando se active únicamente el sensor B, actuara el indicador Z.
  • cuando se active únicamente el sensor C, actuaran los indicadores X e Y.
  • cuando se activen únicamente A y B, actuara X.
  • cuando se activen únicamente B y C, actuaran X y Z.
  • cuando se activen únicamente A y C, actuara Y.
  • cuando se activen simultáneamente A, B y C, los tres actuadores estarán a 0.
  • En caso de inactividad de los sensores, la indicación será nula.

 

Un último ejemplo: Control de lámparas de un semáforo

Con 2 elementos para transmitir órdenes, se pueden conseguir 4 (22) instrucciones distintas, a esto es a lo que llamamos, información codificada en binario.

Un semáforo debe tener tres salidas que serán cada una de las tres lámparas, (se podría añadir una cuarta salida que indicase avería), este lo podemos conseguir con un decodificador de dos entradas y cuatro salidas, con lo que en cada instante solamente puede estar activada una única lámpara, y el circuito de control semafórico que diseñemos solamente deberá disponer de dos salidas.


Imagen  Elaboración propia

 

Si el sistema de control envía el número 0 codificado, se activará la luz roja, que está asociada a esa combinación de las variables de entrada, y así sucesivamente.

Ejemplo, control de un semáforo

Para controlar este semáforo podemos hacer un circuito que tenga 4 salidas, una para cada una de las luces.

Cuando una de estas salidas esté a "1", la luz correspondiente estará encendida. Sin embargo, ocurre que no puede haber dos o más luces encendidas a las vez. Por ejemplo, no puede estar la luz roja y la verde encendidas a la vez.

Si utilizamos un decodificador de 2:4, conseguiremos controlar el semáforo asegurándonos que sólo estará activa una luz en cada momento.

Además, el circuito de control que diseñemos sólo tienen que tener 2 salidas. El funcionamiento es muy sencillo. Si el circuito de control envía el número 2 (E1 = 1,E2 = 0), se encenderá la luz verde (que tiene asociado el número 2) y sólo esa.

Un decodificador activa sólo una de las salidas, la salida que tiene un número igual al que se ha introducido por la entrada.

En el ejemplo del semáforo, si el circuito de control envía el número 3, se activa la salida O3 y se encenderá la luz azul. A la hora de diseñar el circuito de control, sólo hay que tener en cuenta que cada luz del semáforo está conectada a una salida del decodificador y que por tanto tiene asociado un número diferente.

Deduciremos la tabla de verdad, utilizando un decodificador de 2:4, como comentamos anteriormente:

semaforo

La tabla de verdad es la siguiente:

Tabla de verdad
E1E0 O3O2O1O0
00 0001
01 0010
10 0100
11 1000

Las ecuaciones las podemos obtener desarrollando por la primera forma canónica. Puesto que por cada función de salida sólo hay un ’1’, no se podrá simplificar (No hace falta que hagamos Karnaugh):

O0 = E'1E'0

O1 = E'1E0

O2 = E1E'0

O3 = E1E0

Creado con eXeLearning (Ventana nueva)