Sirven para contar pulsos cíclicamente, habitualmente en binario natural, hacia delante (contadores), o hacia atrás (descontadores).
En el sentido más elemental, los contadores son sistemas de memoria que recuerdan cuántos pulsos de reloj han sido aplicados en la entrada. Se produce un nuevo conteo cada n ciclos de reloj.
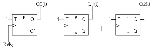
Existen dos tipos.
- Síncronos: todos los biestables comparten la misma señal de reloj.
- Asíncronos: cuando no son síncronos
