Existen unos organismos internacionales que se encargan de normalizar el uso de los distintos símbolos que se utilizan, tanto en el ámbito de la neumática como de la hidráulica, de todos ellos los más comúnmente aceptados son:
- ISO. (International Standarsdising Organization).
- CETOP. (Comité Europeo de Transmisiones Oleodinámicas y Neumáticas)
Hay una similitud entre los símbolos empleados por ellos, aunque mantienen algunas diferencias.
Además de la representación de los circuitos utilizando la simbología adecuada, se deben añadir notas que proporcionarán información adecuada para facilitar el trabajo de instaladores y técnicos de mantenimiento de equipos e instalaciones, como sería: tipo de tubería, caudal, potencia, presión, tipo de racor,...
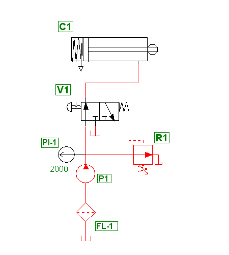
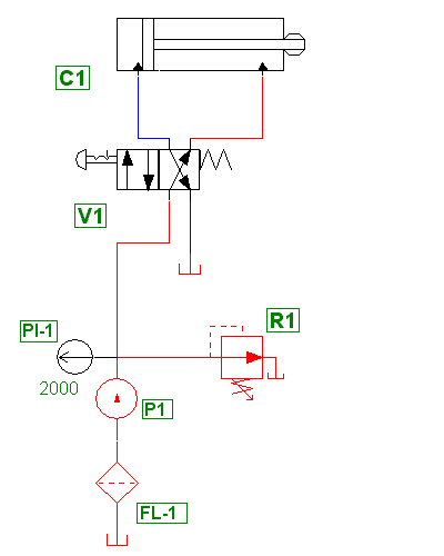
Por motivo de seguridad se debe colocar una válvula de alivio a la salida de la bomba, con una descarga a tanque y con registro de presión.
Algunos de los símbolos distintos de los neumáticos más comunes se recogen en la tabla.
![]()
Imagen Elaboración propia
|




