neumatica
Circuitos neumáticos y oleohidráulicos
![]() Imagen en Blogspot de José María Sánchez bajo CC
|
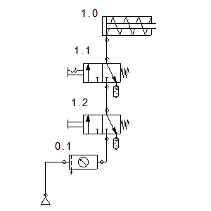
En la actualidad disponemos de diferentes programas informáticos para la simulación de nuestros circuitos neumáticos o hidráulicos.
![]() Imagen en Blogspot de José María Sánchez bajo CC
|
En la actualidad disponemos de diferentes programas informáticos para la simulación de nuestros circuitos neumáticos o hidráulicos.