Imaginemos que estamos diseñando un circuito digital que se encuentra en el interior de una cadena de música. Este circuito controlará la cadena, haciendo que funcione correctamente. Una de las cosas que hará este circuito de control será activar la radio, el CD, la cinta o el disco según el botón que haya pulsado el usuario.
Imaginemos que tenemos 4 botones en la cadena, de manera que cuando no están pulsados, generan un ’0’ y cuando se pulsan un ’1’ (Botones digitales).
Los podríamos conectar directamente a nuestro circuito de control la cadena de música.

Sin embargo, a la hora de diseñar el circuito de control, nos resultaría más sencillo que cada botón tuviese asociado un número. Como en total hay 4 botones, necesitaríamos 2 bits para identificarlos. Para conseguir esta asociación utilizamos un codificador, que a partir del botón que se haya pulsado nos devolverá su número asociado.
Fijémonos en las entradas del codificador, que están conectadas a los botones. En cada momento, sólo habrá un botón apretado, puesto que sólo podemos escuchar una de las cuatro cosas. Bien estaremos escuchando el CD, bien la cinta, bien la radio o bien un disco, pero no puede haber más de un botón pulsado.
Tal y como hemos hecho las conexiones al codificador, el CD tiene asociado el número 0, la cinta el 1, la radio el 2 y el disco el 3 (este número depende de la entrada del codificador a la que lo hayamos conectado). A la salida del codificador obtendremos el número del botón apretado. La tabla de verdad será así:
Tabla de verdad
| E3E2E1E0 |
C1C0 |
Botón |
| 0 0 0 1 |
0 0 |
CD |
| 0 0 1 0 |
0 1 |
TAPE |
| 0 1 0 0 |
1 0 |
RADIO |
| 1 0 0 0 |
1 1 |
DISCO |
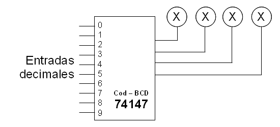
El circuito de control de la cadena ahora sólo tendrá 2 bits de entrada para determinar el botón que se ha pulsado. Antes necesitábamos 4 entradas. El codificador que hemos usado tiene 4 entradas y 2 salidas, por lo que se llama codificador de 4 a 2.
El codificador de 4 a 2 que emplearemos es el siguiente:
Las ecuaciones las obtenemos siguiendo el mismo método de siempre:
1. Obtener la tabla de verdad completa.
Tabla de verdad
| E3E2E1E0 |
C1 |
C0 |
| 0000 |
X |
X |
| 0001 |
0 |
0 |
| 0010 |
0 |
1 |
| 0011 |
X |
X |
| 0100 |
1 |
0 |
| 0101 |
X |
X |
| 0110 |
X |
X |
| 0111 |
X |
X |
| 1000 |
1 |
1 |
| 1001 |
X |
X |
| 1010 |
X |
X |
| 1011 |
X |
X |
| 1100 |
X |
X |
| 1101 |
X |
X |
| 1110 |
X |
X |
| 1111 |
X |
X |
2. Aplicar el método de Karnaugh. Con ello obtendremos las ecuaciones más simplificadas para las salidas C1 y C0.
Al hacer la tabla de verdad, hay que tener en cuenta que muchas de las entradas NO SE PUEDEN PRODUCIR. En las entradas de un decodificador, una y sólo una de las entradas estará activa en cada momento. Utilizaremos esto para simplificar las ecuaciones. Se ha utilizado una X para indicar que esa salida nunca se producirá:
C1 y C0 siempre valen ’x’ excepto para 4 filas. Los mapas de Karnaugh que obtenemos son:
Las casillas que tienen el valor "x" podemos asignarles el valor que más nos convenga, de forma que obtengamos la expresión más simplificada. Haremos las agrupaciones más grandes posibles, en nuestro caso agrupaciones de 8, y tomaremos las "x" como si valiesen "1", obteniendo las siguientes expresiones: