Circuitos: Circuitos eléctricos
![]() Imagen en Flickr de José L. Montalvillo bajo CC
|
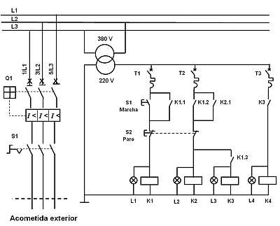
Ejemplo de diseño de un circuito eléctrico con acometida exterior
| Revisión: (Desliza el ratón sobre el botón) Contacto Web: http://about.me/byjosemaria Contacto Social: Perfil Google Versión 01, Fecha: 16 Octubre 2013 |
| Autor inicial: C.E.C. Junta de Andalucía Versión incial ubicada en el repositorio Agrega |

