3.3.2. Circuitos con diodos
Importante
Es el circuito más sencillo que puede construirse con un diodo, se emplea para eliminar la parte negativa o positiva de una señal, la que polariza inversamente al diodo, de una señal de corriente alterna de entrada (Vi) convirtiéndola en corriente directa de salida (Vo).

ANÁLISIS DEL CIRCUITO
- Polarización directa VA>VK (Vi > 0)
En este caso, el diodo permite el paso de la corriente sin restricción, provocando una caída de potencial igual a la tensión de codo, que es de 0,7V, si se trata de diodos de silicio, y de 0,3V, en el caso del germanio,
La intensidad de la corriente puede fácilmente calcularse mediante la ley de Ohm:

RL es una resistencia limitadora que se intercala en el circuito para limitar la cantidad de corriente que circula por él y así proteger al diodo de sobreintensidades que no podría soportar.
- Polarización inversa VA
<VK (Vi< 0)

- Tensión rectificada.
Como acabamos de ver, la curva de transferencia, que relaciona las tensiones de entrada y salida, tiene dos tramos: para tensiones de entrada negativas la tensión de salida es nula, mientras que para entradas positivas, la tensión se reduce en 0.6V. El resultado es que en la carga se ha eliminado la parte negativa de la señal de entrada.
![]() |
| Imagen 34. R. Propio. Creative Commons |
Importante
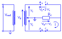
Rectificador de onda completa
se utiliza para convertir una corriente alterna de entrada (Vi) en corriente de salida (Vo) pulsatoria. A diferencia del rectificador de media onda, ahora, la parte negativa de la señal se convierte en positiva o bien la parte positiva de la señal se convertirá en negativa.
El circuito tiene la forma:
El circuito de la figura es un rectificador con dos diodos. Cada diodo se encuentra polarizado de modo distinto para cada semionda de la señal de alimentación, ya que las diferencias de potencial a las que están sometidos son de signo contrario; por tanto uno se encontrará polarizado inversamente y el otro directamente. La tensión de entrada (Vi) es la mitad de la tensión del secundario del transformador.
Tensión de entrada positiva.
El diodo 1 se encuentra en polarización directa (conduce), mientras que el 2 se encuentra en polarización inversa (no conduce). La tensión de salida será igual a la de entrada. El diodo 2 debe de soportar en inversa la tensión máxima del secundario.
Tensión de entrada negativa.
El diodo 2 se encuentra en polarización directa (conduce), mientras que el diodo 1 se encuentra en polarización inversa (no conduce). La tensión de salida es igual a la de entrada pero de signo contrario. El diodo 1 tiene que soportar en inversa la tensión máxima del secundario.
![]() |
| Imagen 35. R. Propios. Creative Commons |

