3.1. Generadores
Importante
Un generador es un dispositivo que mantiene una diferencia de potencial eléctrico entre dos de sus puntos, llamados polos, terminales o bornes.
Los generadores eléctricos son máquinas destinadas a transformar diversos tipos de energía en energía eléctrica.
El símbolo que utilizaremos en los esquemas eléctricos para representar un generador es:

A lo largo de este tema consideraremos que los generadores tienen un comportamiento ideal.
Un generador de voltaje ideal, es aquel que mantiene un voltaje fijo entre sus bornes independientemente de la resistencia de la carga que pueda estar conectada entre ellos.
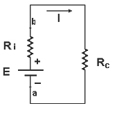
Sea un circuito tipo como el siguiente:
|
| Imagen 18. R. Propio. Creative Commons |
Donde E es la diferencia de potencial suministrada por el generador.
Por aplicación de la segunda ley de Kirchhoff se cumple que la tensión suministrada por el generador ha de ser igual a la suma de las caídas de tensión individuales en cada una de las resistencias.
Por otro lado en aplicación de la ley de Ohm la caída de tensión en las resistencias es igual al producto de la intensidad por su resistencia:
Matemáticamente:

Las magnitudes eléctricas características que identifican un generador ideal de tensión son:
- Ri,es la resistencia interna:

Es decir, produce una reducción de la tensión en bornes del generador, de tal forma que la tensión que se puede aprovechar no es la total sino la que resulta de restar ese valor que se pierde dentro del propio generador.
- Fuerza electromotriz (f.e.m.):
- Intensidad nominal, In:
Un generador es capaz de proporcionar toda la corriente que se le solicite, mientras tenga reservas de carga, pero si suministra valores de corriente por encima de su valor nominal se acorta su vida útil muy significativamente, pudiendo llegar a quemarse.
- Capacidad de carga (Axh):
Existen diversos tipos de generadores eléctricos, las más habituales son las pilas, las baterías y las fuentes de tensión o corriente.
- Pila eléctrica, Dispositivo que genera energía eléctrica a partir de la energía química que tiene acumulada. A medida que el generador se va agotando, su resistencia interna aumenta, lo que hace que la tensión disponible sobre la carga vaya disminuyendo, hasta que no sea suficiente para alimentar al receptor, por lo que debe recargarse, o sustituirse por otra. Esta energía resulta accesible mediante dos terminales que tiene la pila, llamados polos, electrodos o bornes. Uno positivo y el otro negativo.
- Baterías o acumuladores: Son generadores recargables.
- Fuentes de tensión o corriente:dispositivo que convierte la tensión alterna de la red de suministro, en una o varias tensiones, prácticamente continuas, que alimentan los distintos circuitos del aparato electrónico al que se conecta.
![]() |
![]() |
| Imagen 19. baggas. Copyright | Imagen 20. blogspot. Copyright |
Curiosidad
Por esta razón la medición de la tensión con un voltímetro no informa de en que estado se encuentra la pila; a circuito abierto una pila con toda la carga consumida puede marcar 1,4V dada la carga insignificante que representa la resistencia de entrada del voltímetro, pero, si la medición se efectúa con la resistencia de carga que habitualmente alimenta, la lectura descenderá por debajo de 1 V, por lo que esa pila ha dejado de tener utilidad.

