Saltar la navegación

Neumática e Hidráulica



Dpto. Tecnología e Informática (IES Néstor Almendros)

2º de Bachillerato

Tecnología e Ingeniería II

Tema 8: NEUMÁTICA E HIDRÁULICA

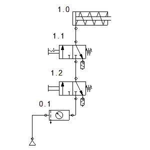
Control de un CSE, mediante dos V3,2
Imagen en  Blogspot de José María Sánchez  bajo CC

En la actualidad disponemos de diferentes programas informáticos para la simulación de nuestros circuitos neumáticos o hidráulicos.

Creado con eXeLearning (Ventana nueva)